|
省配線產品
|
繼電器輸入端子板FS-16DI-RL-V2 通道數: 16 路 模 式: 單線制數字量輸入 繼電器隔離 信號輸入:干濕可選(干接點、電平、三線開關) (支持NPN/PNP 切換) 信號輸出:低電平、高電平可選 信號反向設置(非邏輯) 35mm 導軌安裝
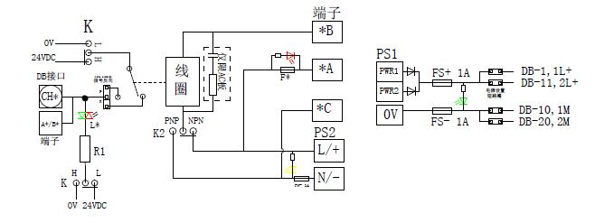
原理圖:
接線圖:
針腳定義:
常用設置: 1、開關K 用于高低有效切換 高有效(H)適用于歐美系低有效(L)適用于日臺系PLC 2、開關K2 用于NPN/PNP 切換,干接點輸入時選PNP 檔 3、回路邏輯:短路帽插入P 檔為正向,插入R 檔為反向(邏輯非) 電源設置: DB 口含有4 芯電源線,用于向PLC 模塊供電。這些電源由電源輸出設置的短路帽進行控制,每個短路帽對應一根線,送電前應根據需要進行設置。電源指示在保險下方,電源接反或保險燒斷時電源燈不亮。
|
||||||||||||||||||||||||||||||||||||||||||||||||||||||||||||||||||||||||||||
| 上一篇: FS-16DI-RL V2 繼電器輸入板 | 下一篇: FS-16DI-RLM 高密度繼電器輸入板 |




